3590邦士電位器是出自美國進口bourns品牌的一種電子元器件,其目前國產也區分一款相同規格型號的3590電位器,這兩者不同品牌的規格產品,其性能參數上是存在很大的差異。以進口3590邦士電位器來說,雖然價格上比較貴,但無論是在調節精度誤差還是性能穩定性及質量上都是國產的規格產品無法比擬的,這也是由此國內許多的用戶紛紛采用進口的邦士電位器選擇關鍵原因。那么下面接著讓我們一起探討了解一下關于3590的功能特性及產品用途等內容。

產品介紹:
3590s邦士電位器是美國進口的一種玻璃釉可調電位器,其操作行程為10圈范圍調節,阻值區分有100~5KΩ等規格選擇,可滿足各類不同電路的需求。不過注意此款3590s邦士電位器一般使用上需要配置數字刻度盤旋鈕一起運用。目前3590S邦士主要用途應用于:音響、調音臺、電視機、醫療器材、車載音箱、電子設備等產品上。
技術參數:
完整型號: 3590S-2-502L
圓錐: 線性
套數: 1
內置開關: 無
功率(W): 2W
電阻(歐姆): 5k
容差: ±5%
端子類型: 焊片
致動器類型: 開槽型
溫度系數: ±50ppm/°C
圈數: 10
旋轉: 3600°
電阻材料: 繞線
襯套螺紋: 3/8-32
安裝類型: 面板安裝
致動器長度: 0.812"(20.63mm)
致動器直徑: 0.2497"(6.34mm)
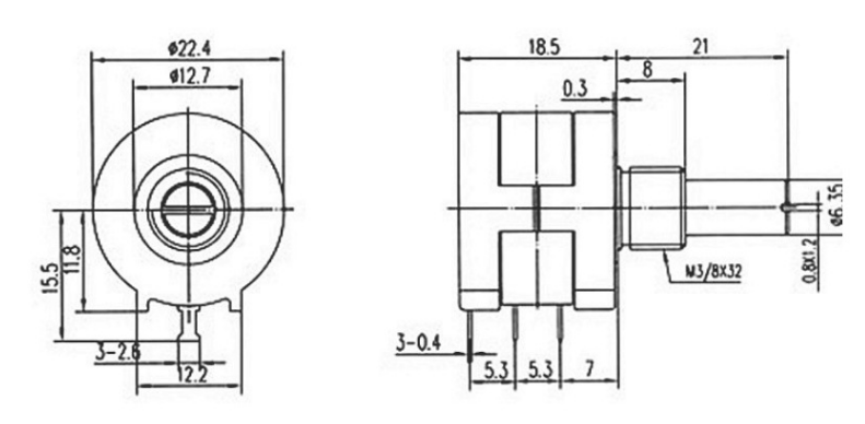
3590s邦士電位器參考圖紙

由于3590邦士電位器阻值規格上區分眾多,每種規格阻值不同的產品,其價格方面也肯定有所不同的,不過需注意選擇的阻值誤差精度越小,價格上就越貴的。因此一般在3590邦士電位器購買的時候,請根據自身的需求,來選擇相應合適的規格產品。回顧之前也是有大致給大家講過有關3314邦士電位器產品介紹,此外邦士電位器的規格類型產品還區分很多,若大家有需想了解更多關于邦士電位器的規格產品訊息,建議可在線咨詢百斯特電子工作人員,方便稍后可為你們提供一些相應參考資料書。
